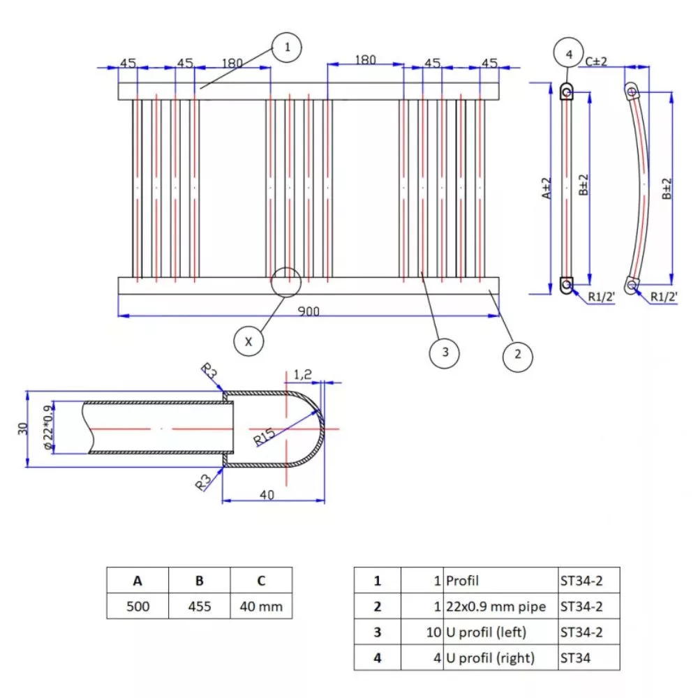
Törölközőszárító radiátor elektromos fűtőpatronnal 60 x 90 cm - Nero Italia S-400W (fekete)
7
37 800 Ft
34 800 Ft
