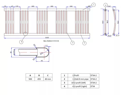
Törölközőszárító radiátor elektromos fűtőpatronnal 50 x 160 cm - Nero Italia S-600W (fekete)
8
44 700 Ft
40 900 Ft
