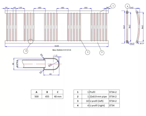
Törölközőszárító radiátor elektromos fűtőpatronnal 50 x 160 cm - Nero Italia C-600W (fekete)
8
44 300 Ft
40 500 Ft
