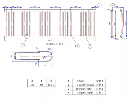
Törölközőszárító radiátor elektromos fűtőpatronnal 50 x 160 cm - Nero Italia AF-14-600W (fekete)
8
52 800 Ft
48 200 Ft
